Kunci lawang kabinet industriminangka komponèn protèktif tombol kabinèt distribusi, kabinet komunikasi, kothak kontrol lan peralatan liyane, kang langsung related kanggo safety saka komponen electrical internal lan operasi stabil saka sistem.
Kanggo nyukupi macem-macem syarat wektu pangiriman lan spesifikasi kanggo macem-macem proyek, perusahaan kita mesthi duwe limang jinis kunci sing umum digunakake ing saham --Long Bar Lock, Kunci Panel, Kunci Kontrol Rod, Ngalahake Kunci,Kunci Ilat Rotary. Ing wektu sing padha, kita ndhukung sembarang kunci non-standar selaras miturut gambar utawa conto, kang sampurna cocok kanggo kabeh jinis kothak distribusi logam.
Kunci pesawat minangka salah sawijining jinis kunci lawang kabinet industri sing paling umum, apik lan gampang dijaga. Perusahaan kita ngluncurake kunci pesawat seri AB301, AB302, AB303, AB402, AB403, kanthi kekuatan struktural, kinerja proteksi lan rasa operasi saka desain sing dibedakake, bisa nyukupi spesifikasi kotak distribusi, syarat instalasi kabinet kontrol.
| ukuran | Nomer produk | |||||||
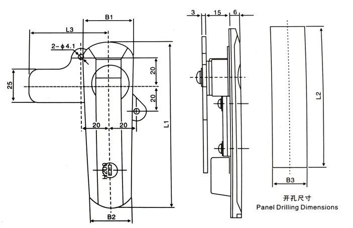
| L1 | L2 | L3 | B1 | B2 | Plating krom abu-abu | Cat semprotan werna abu-abu | Dilapisi bubuk ireng | Bobot (g) |
| 147 | 117 | 72 | 33 | 26.5 | AB301-1-1.2 | AB301-1-1.8 | AB301 | 370 |
| 120.5 | 95.5 | 65 | 30 | 23.5 | AB301-2-1.2 | AB301-2-1.8 | AB302 | 290 |
| 87.5 | 62.5 | 65 | 28.5 | 23.5 | AB301-3-1.2 | AB301-3-1.8 | AB303 | 215 |
Bahan utama: paduan seng.
Perawatan lumahing: krom padhang, matte, ireng.
Fungsi lan panggunaan: Bukak lawang kiwa lan tengen, gampang digunakake, kanthi fungsi sealing lan anti banyu.
Bahan utama: paduan seng.
Perawatan lumahing: krom padhang, matte, ireng.
Fungsi lan panggunaan: Bukak lawang kiwa lan tengen, gampang digunakake, kanthi fungsi sealing lan anti banyu.
Bahan: badan kunci paduan seng, poros putar, baut baja galvanis, piring tekanan.
Perawatan lumahing: semprotan nano abu-abu perak.
Katrangan struktur: Puter 90 derajat kanggo mbukak utawa ngunci.
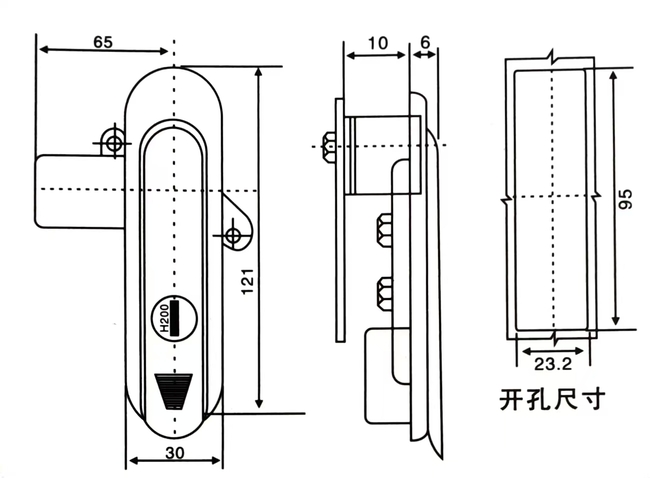
| MODEL | L1 | L2 | L3 | B1 | B2 | B3 |
| ANYAR AB402-A | 123 | 95.5 | 65 | 36.5 | 30 | 23.5 |
| ANYAR AB403-A | 91 | 62.5 | 65 | 33 | 28.5 | 23.5 |
| ANYAR AB401-A | 151 | 117 | 72 | 36 | 30 | 26.5 |
